KIT Antiparpadeo LED

1007

Este dispositivo elimina los parpadeos de las lámparas cuando su causa es debida a la diferencia de potencial o por la corriente producida por las pequeñas cargas de tensión que alimenta las luces de señalización de los interruptores o en los interruptores de cruzamiento.

  • Tensión Nominal

    250V-310V

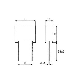
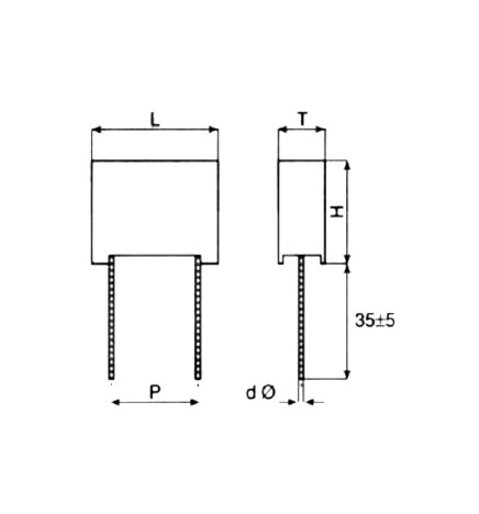
  • Medidas (mm)

    H100mm

Cálculo de luminosidad
Entrega en 24/48 horas
Tenemos tarifa al profesional, Llámanos!

Certificado CE Certificado ROHS
0,45 €
Sin impuestos

 

Descargar PDF

Elimina de manera eficaz las pequeñas cargas de tensión sobrantes  que hacen que las luminarias led se enciendan o parpadeen estando el circuito eléctrico apagado. Este dispositivo absorbe mediante el capacitor el residuo de tensión sobrante que llega a las lámparas.

1007

Ficha Técnica del Producto

REFERENCIA
1007
Tensión Nominal
250V-310V 470nF
Material de Construcción
Polypropylene film + Aluminium + Epoxy resin
Certificados
CE - ROHS
Medidas (mm)
H100mm
Frecuencia de Trabajo (Hz)
50/60Hz
Rango Temperatura (ºC)
-20º + 100º
Información Adicional
Capacite Range: From 0.01 µF to 2.2 µF Peak Pulse: 2.5 Kv.
Garantía años
2

Descargar