LED anti-blinkende sæt

1007

Denne enhed eliminerer blafrin, når årsagen skyldes strømforskelle.

  • Nominel spænding

    250V-310V

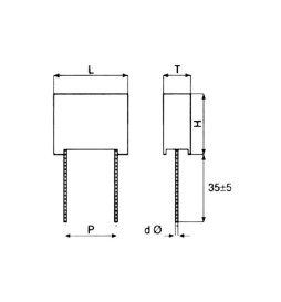
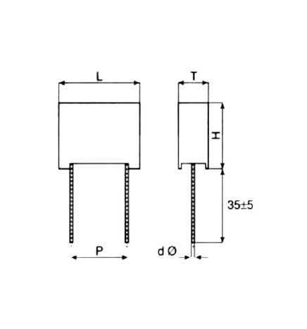
  • Mål (mm)

    H100mm

Beregning af lysstyrke
Hurtig og sikker levering
Vi tilbyder professionelle priser på LED-belysning

Certificado CE Certificado ROHS
0,45 €
Ingen skat

 

Download PDF

Denne enhed eliminerer blafrin, når årsagen skyldes strømforskelle.

1007

Datablad

REFERENCE
1007
Nominel spænding
250V-310V 470nF
Byggemateriale
Polypropylene film + Aluminium + Epoxy resin
Certifikater
CE - ROHS
Mål (mm)
H100mm
frekvens (Hz)
50/60Hz
Temperaturområde (ºC)
-20º + 100º
Yderligere Information
Capacite Range: From 0.01 µF to 2.2 µF Peak Pulse: 2.5 Kv.
Års garanti
2

Download